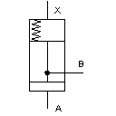
Einbauventil (Schließer)
Das 2-Wege-Einbauventil ist ein 2/2-Wegeventil. Es besitzt zwei Arbeitsanschlüsse und die beiden Schaltstellungen offen
und geschlossen
. Ob das Einbauventil geöffnet oder geschlossen ist, hängt von den wirksamen Flächen A und X, den anliegenden Drücken pA und pX, sowie der Federkraft F ab. Es gilt A=X.
Wenn pA*A > pX*X + F, dann schließt das Ventil, andernfalls ist es geöffnet.
Das Ventil arbeitet daher rein druckabhängig und kann bei entsprechender Ansteuerung Wege-, Strom- und Druckfunktionen übernehmen. Die Federkraft wird über den Solldruck angegeben. Dies ist der Druck, der mindestens an Anschluss A bei drucklosen Anschlüssen B und X benötigt wird, um das Ventil zu öffnen.
Der hydraulische Widerstand bezieht sich auf das vollständig geöffnete Ventil.
Einstellbare Parameter
| Bezeichnung | Bereich | Standardwert |
|---|---|---|
| Typ | Ohne Hubbegrenzer, Mit Hubbegrenzer | Ohne Hubbegrenzer |
| Maximaler Hub | 0 ... 100 % | 100 |
| Bezeichnung | Bereich | Standardwert |
|---|---|---|
| Öffnungsdruck | 0 ... 40 MPa | 0.5 |
| Fläche | 0.1 ... 100 cm2 | 6 |
| Druckregelbereich | 0.01 ... 10 MPa | 0.05 |
| Hydraulischer Widerstand | 1e-6 ... 1000 bar.min2/l2 | 0.01 |