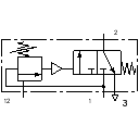
Pressure sequence valve

The sequence valve is operated when the control pressure at connection 12 has been reached. The flow passes freely from 1 to 2. Removing the signal allows the valve to return to its starting position through the use of a return spring. Connection 1 is shut. The pressure of the control signal is infinitely adjustable via a pressure setting screw.

Adjustable parameters

Designation Range Default value
Switching pressure 0 ... 20 bar 3
Standard nominal flow rate 0.1 ... 5000 l/min 100