-
Pneumatic
- Supply elements
- Directional valves, Configurable
- Directional valves, Mechanically operated
- Directional valves, Solenoid operated
- Directional valves, Pneumatically operated
- Flow control valves/Shutoff valves
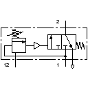
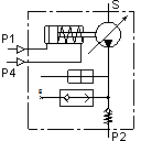
- Pressure control valves
- Pressure Operated Switches
- Vacuum technology
- Valve groups
- Proportional valves
- Actuators
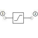
- Measuring instruments and sensors
-
Hydraulic
- Supply elements
- Directional valves, Configurable
- Directional valves, Mechanically operated
- Directional valves, Solenoid operated
- Flow control valves/Shutoff valves
- Pressure control valves
- Pressure switch
- Flow control valves/Shutoff valves
- Proportional valves
- Actuators
- Measuring instruments and sensors
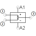
- Electrical engineering/Electronics
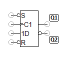
- Digital components with electrical signals
- Electrical Controls (IEC)
- Electrical Controls (ANSI/NEMA)
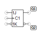
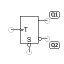
- Digital technology
- GRAFCET
- Miscellaneous